Podajalnik 120-50

35,40 
Koda: 111-0039
Kategorije:

Podajalno kolo ima aluminijasto jedro, gumirano pa je s 50±5 ShA trdo, belo, gumijasto zmesjo, ki ima zelo dober oprijem in ne pušča sledi na lesu.

Primerni so za montažo na različne podajalne naprave. Po želji jih gumiramo tudi z drugo gumijasto zmesjo  (pošljite povpraševanje).

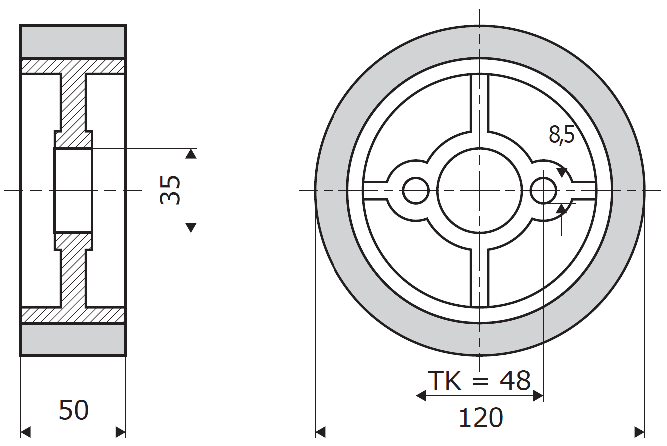
Tehnični podatki (v mm):

D=  82

D1= 120

L= 50

L1= 50

Č= 35

U=

TK= 48

Sorodni izdelki

Cenovni razpon: od 168,90 € do 190,60 €

Izberite možnosti Ta izdelek ima več različic. Možnosti lahko izberete na strani izdelka

Cenovni razpon: od 281,10 € do 307,60 €

Izberite možnosti Ta izdelek ima več različic. Možnosti lahko izberete na strani izdelka

Cenovni razpon: od 281,10 € do 307,60 €

Izberite možnosti Ta izdelek ima več različic. Možnosti lahko izberete na strani izdelka

Um den Katalog herunterzuladen, geben Sie Ihre Daten in das untenstehende Formular ein.

Mit dem Ausfüllen des Formulars abonnieren Sie unseren Newsletter. Sie erhalten dann Benachrichtigungen über Neuigkeiten, die wir auf der Website veröffentlichen.

Nach Ihrer Registrierung erhalten Sie eine Willkommens-E-Mail mit einem Link zum kostenlosen Online-Katalog.

Če želite prenesti katalog, vnesite svoje podatke v spodnji obrazec.

Z izpolnitvijo obrazca boste naročeni na naš poštni seznam. Prejemali boste obvestila, ki jih objavimo na spletnem mestu.

Ob registraciji boste prejeli pozdravno e-pošto s povezavo do brezplačnega e-kataloga.

Za prenos kataloga vnesite svoje podatke v spodnji obrazec.

Z izpolnitvijo obrazca boste prijavljeni na našo mailing listo. Prejemali boste obvestila, ki jih objavljamo na spletni strani.

Ob prijavi boste prejeli pozdravni e-mail, v katerem se nahaja povezava do brezplačnega e-kataloga.